
PRODUCT我们相信好的产品是信誉的保证!
咨询热线:
028-87954548
ARTICLES致力于成为更好的解决方案供应商!
产品中心/ PRODUCTS

产品型号:
更新时间:2024-07-19


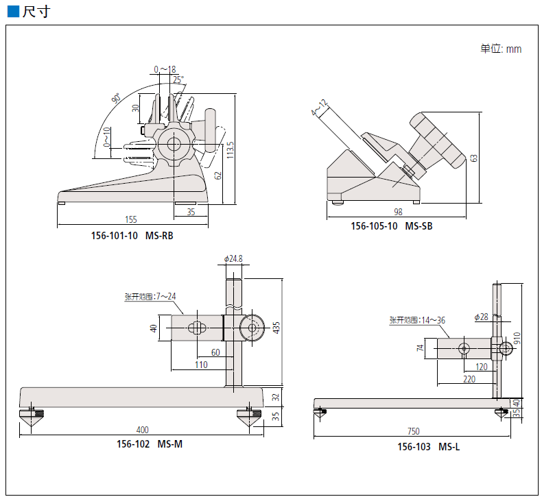
三丰Mitutoyo千分尺台架156-105-10
● 用于固定千分尺等带有足够夹持面积的量具。
● 不需要单手持有千分尺,提高了可操作性。同时,温度变化不受体温影响,可以实现稳定测量。
日本三丰Mitutoyo:千分尺,数显千分尺,外径千分尺,数显外径千分尺,0-25千分尺,25-50千分尺,50-75千分尺,75-100千分尺,防水千分尺,快进千分尺,快速千分尺,测力千分尺,棘轮套管千分尺,读数外径千分尺,直进式千分尺,更换测砧千分尺,滑动测砧千分尺,轻量型千分尺,带表千分尺,卡尺型千分尺,螺纹千分尺,盘型千分尺,公法线千分尺,齿厚千分尺,齿轮千分尺,纸厚千分尺,板厚千分尺,壁厚千分尺,花键千分尺,小头千分尺,尖爪千分尺,尖头千分尺,V型测砧千分尺,3沟千分尺,5沟千分尺,奇数沟千分尺,丝攻千分尺,丝锥千分尺,薄片千分尺,叶片千分尺,刀片千分尺,刀口千分尺,罐口接缝千分尺,压接高度千分尺,极限千分尺,杠杆千分尺,凹槽千分尺,
156-105-10 MS-SB
156-102 MS-M
156-103 MS-L
三丰Mitutoyo千分尺台架156-105-10

ylzzcom永利总站线路检测
致力于长度计量仪器、光学测量仪器、几何测量仪器、材料检测仪器、表面涂装检测仪器的销售和维护服务,是一家生产、贸易、服务性公司。ylzzcom永利总站线路检测有销售和技术人员,为客户提供方便、守信、快捷的售前(演 示、技术介绍)售中(选型、试样)售后(维护、保养)在客户需要的时候,我们人员能够及时来到客户现场,提供急需的服务。
主营范围:长度计量仪器、光学测量仪器、计划测量仪器、材料检测仪器、表面涂装检测仪器,Mitutoyo/日本三丰,Mahr/德国马尔、TESA/瑞士、Trimos/瑞士丹青、Hexagon/海克斯康、ZEISS/蔡司、Nikon/日本尼康、Peacock/日本得乐、PEAK/日本必佳、X-Rite/美国爱色丽、BYK/德国、ElektroPhysik/德国EPK、Helmut Fischer/德国菲希尔、MINOLTA/日本柯尼卡美能达、Qnix/德国尼克斯、ELCOMETER/英国易高。
三坐标测量仪、影像仪、投影仪、测高仪、对刀仪、粗糙度仪、轮廓度仪、测长仪、卡尺、千分尺、千分表、百分表、大理石平台、大理石构件、测量显微镜、工具显微镜、金相显微镜、生物显微镜、体视显微镜、放大镜,洛氏硬度计、布氏硬度计、维氏硬度计、里氏硬度计,显微硬度计、橡胶硬度计、电子天平、国产天平、工业衡器,色差仪、光泽度仪、测色仪、膜厚仪、拉力试验机、环境检测、老化试验仪、恒温恒湿、防潮干燥柜等..........
扫码加微信