
ARTICLES致力于成为更好的解决方案供应商!
产品中心/ PRODUCTS
产品型号:
更新时间:2025-01-02









Nikon日本尼康高度计MF-1001+TC200 0-100mm
数显高度计MF-1001 / MF-501 / MH-15M
光栅尺内置的数字测量仪。可以0.01μm的最小读数测量小型精密仪器和电子零件的厚度、高度差等。
高精度保证
高精度保证 zui小读数从1µm到0.01µm
3种数字测量头
MF-1001:测量范围0〜100mm
MF-501:测量范围0〜50mm
MH-15M:测量范围0〜15mm
2种计数器
MFC-200:最小读数值0.1µm
TC-200:最小读数值0.01µm
数显高度计
有3种测量头可供选择。还有各种计数器、底座、测头等,可以满足各种测量需求。

MH-15M数显高度计测量头
MH-15M+TC-200 计数器
测量范围:0~15mm
最小读数值:0.01µm
精度(20℃):0.7µm

MF-1001数显高度计测量头
MF-1001+MFC-200 计数器
测量范围:0~100mm
最小读数值:0.1µm
精度(20℃):3µm
MF-1001+TC-200 计数器
测量范围:0~100mm
最小读数值:0.01µm
精度(20℃):3µm

MF-501数显高度计测量头
MF-501+MFC-200 计数器
测量范围:0~50mm
最小读数值:0.1µm
精度(20℃):1µm
MF-501+TC-200 计数器
测量范围:0~50mm
最小读数值:0.01µm
精度(20℃):1µm

产品亮点
三种测头,两种计数器
三种测头型号是 0-100mm量程的MF-1001、0-50mm量程的 MF-501 和 0-15mm量程的 MHF-15M,可选两种DRO 计数器,MFC-200 和 TC-200。

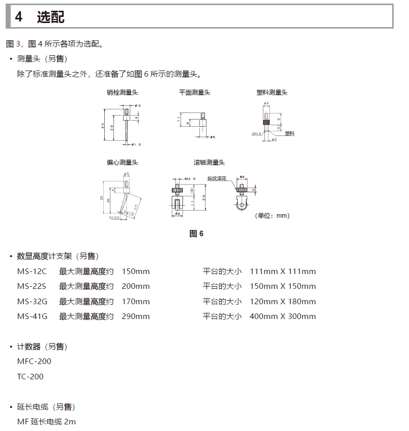
测针配件
6种测头可供选择。标准测头以外,还有针式、塑料、偏心、平头、滚轴测头。
可选择安装防尘波纹罩。防止灰尘进入数显高度计测量头的伸缩轴内,提高耐用性。

底座配件
提供5种测量底座MS-12C、MS-22S、MS32G、MS-51C、MS-41G。可以根据需求进行选择。

防尘波纹罩
为了防止数字测头的主轴部分沾上灰尘和污垢,可将它安装在一个活动的防尘波纹罩内。

Nikon日本尼康高度计MF-1001+TC200 0-100mm
测量器主体
型号 | MF-501 | MF-1001 | MH-15M | |
测量范围 | 0-50mm | 0-100mm | 0-15mm | |
读取值 | MFC-200使用时 | 0.1μm、0.5μm、1μm可切换 | ---------- | |
TC-200使用时 | 0.01μm、5μm、1μm、0.1μm、0.05μm可切换 | |||
精度(20℃) | 1μm | 3μm | 0.7μm | |
测量速度 | 500mm/seC以下 | 100mm/seC以下 | ||
测定力 | 下方向115-165gf(约30gf变更可能)横方向65-125gf | 下方向125-185gf(约30gf变更可能)横方向65-125gf | 上方向25gf下方向65gf横方向45gf | |
外部出力 | rs-232C专用打印机输出口 | |||
重量 | 约460g | 约610g | 约140g | |
计数器/显示器
型号 | MFC-200 | TC-200 |
显示 | 8位led显示 | 10位led显示 |
读取值 | 0.1μm(0.5/1μm切换) | 0.01μm(0.05/0.1/0.5/5μm切换 |
功能 | 自动归零 | 自动归零/预设值功能 |
错误时警告显示 | 错误时警告显示 | |
rs-232C信号输出 | rs-232C信号输出 | |
专用打印机输出口 | 专用打印机输出口 | |
输入电压 | 专用电源aC12v350ma | 专用电源aC12v2.*** |
适用量表型号 | MF-501 MF-1001 | MF-501 MF-1001 mh-15h |
外形尺寸 | 80(w)*60(h)*25.5(d) | 150(w)*67(h)*176(d) |
本体重量 | 约100g | 约1kg (包括电源) |
扫码加微信